Ecosoft MO-3 это автоматизированная система обратного осмоса производительностью 3…4 м3/ч. В комплекте основного оборудования насос высокого давления Grundfos, электромагнитные клапаны Danfoss и регулирующие клапаны Honeywell.
Система оснащена контроллером и комплектом основных необходимых контрольно-измерительных приборов. Дополнительные узлы и комплектующие можно заказать, как опции.
Мембранные элементы в комплект не входят!
Технические характеристики |
|
||
|
Номинал. производительность1 |
3 м3/ч |
||
|
Степень извлечения пермеата |
75% |
||
|
Макс. солесодержание |
3000 мг/л |
||
|
Расход воды (производство) |
4-6 м3/ч |
||
|
Расход воды (промывка) |
10 м3/ч |
||
|
Требуемое давление воды |
2…4 бар |
||
|
Рабочее давление |
8…12 бар |
||
|
Электрические характеристики |
3 ? 380 В, 50 Гц |
||
|
Электрическая мощность |
4 кВт |
||
| 1 Производительность зависит от солесодержания воды, температуры и конверсии пермеата – см. график справа | |||
Основные компоненты |
|
Основные параметры |
||
|
Насос Grundfos CR 10-12 |
1 шт |
Габаритные размеры (Ширина ? глубина ? высота): | ||
|
Мембранодержатель из стеклопластикового композита |
3 шт |
— система обратного осмоса |
1,90?1,10?1,95 м |
|
|
Фильтр механической очистки BB20 |
3 шт |
— транспортный короб |
2,20?1,40?2,20 м |
|
|
Электроприводные краны Danfoss |
3 шт |
Вес | ||
|
Балансировочные клапана |
2 шт |
— система обратного осмоса |
420 кг |
|
|
Шкаф автоматики с IoT-контроллером Ecosoft OC6000 |
1 шт |
— система в транспортном коробе |
520 кг |
|
|
Трубная обвязка, арматура и фитинг |
1 кмпл |
Трубные присоединения | ||
|
Контрольно-измерительные приборы (датчики, манометры, ротаметры) |
1 кмпл |
Исходная вода |
G 1?? |
|
|
Металлическая станина |
1 кмпл |
Пермеат |
G 1? |
|
| Концентрат |
G 1?? |
|||
Требования к качеству исходной воды |
||
|
— Общая минерализация |
< 3000 мг/л |
|
|
— Жесткость |
< 150 мг/л CaCO3 |
|
|
— Железо |
< 0,1 мг/л |
|
|
— Марганец |
< 0,05 мг/л |
|
|
— Сероводород |
нет |
|
|
— Кремний |
< 20 мг/л |
|
|
— Хлор |
< 0,1 мг/л |
|
|
— SDI |
< 5 |
|
Опции:
-
Мембраны Filmtec™ XLE-440 / ECO PRO-440 / BW30HRLE / BW30XFRLE-400 или Ecosoft ELP8040
-
Насос-дозатор антискаланта
-
Узел промывки мембран пермеатом
-
Узел подмеса исходной воды
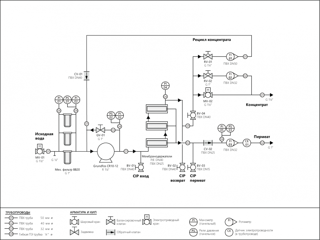
Технологическая схема:

Главные виды установки:

