Описание
Характеристики
Отзывы
Ecosoft MO-2 это автоматизированная система обратного осмоса производительностью 2…2,5 м3/ч. В комплекте основного оборудования насос высокого давления Grundfos, электромагнитные клапаны Danfoss и регулирующие клапаны Honeywell.
Система оснащена контроллером и комплектом основных необходимых контрольно-измерительных приборов. Дополнительные узлы и комплектующие можно заказать, как опции.
Мембранные элементы в комплект не входят!
Характеристики
Технические характеристики |
|
|
|
| Номинал. производительность1 | 2 м3/ч | ||
| Степень извлечения пермеата | 75% | ||
|
Макс. солесодержание |
3000 мг/л |
||
|
Расход воды (производство) |
2,7-4 м3/ч |
||
|
Расход воды (промывка) |
10 м3/ч |
||
|
Требуемое давление воды |
2…4 бар |
||
| Рабочее давление | 8…12 бар | ||
| Электрические характеристики | 3 ? 380 В, 50 Гц | ||
| Электрическая мощность | 4 кВт | ||
| 1 Производительность зависит от солесодержания воды, температуры и конверсии пермеата – см. график справа | |||
Основные компоненты |
|
Основные параметры |
||
| Насос Grundfos CR 10-12 | 1 шт |
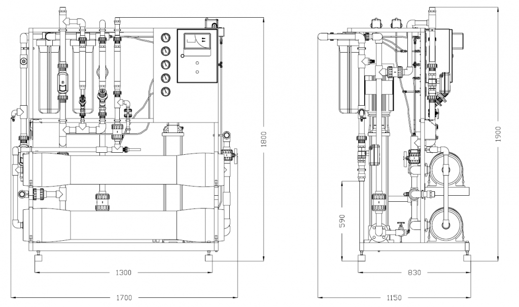
Габаритные размеры (Ширина ? глубина ? высота): |
||
| Мембранодержатель из стеклопластикового композита | 2 шт |
— система обратного осмоса |
1,90?1,10?1,95 м |
|
| Фильтр механической очистки BB20 | 2 шт | — транспортный короб | 2,20?1,40?2,20 м | |
| Электроприводные краны Danfoss | 2 шт | Вес | ||
| Балансировочные клапаны | 2 шт | — система обратного осмоса | 370 кг | |
| Шкаф автоматики с IoT-контроллером Ecosoft OC6000 | 1 шт | — система в транспортном коробе |
470 кг |
|
| Трубная обвязка, арматура, и фитинг | 1 кмпл | Трубные присоединения | ||
| Контрольно-измерительные приборы (датчики, манометры, ротаметры) | 1 кмпл | Исходная вода | G 1?? | |
| Металлическая станина | 1 кмпл | Пермеат | G 1? | |
|
|
Концентрат | G 1?? | ||
Требования к качеству исходной воды |
||
|
— Общая минерализация |
< 3000 мг/л |
|
| — Жесткость | < 150 мг/л CaCO3 | |
| — Железо | < 0,1 мг/л | |
| — Марганец | < 0,05 мг/л | |
| — Сероводород | нет | |
| — Кремний | < 20 мг/л | |
| — Хлор | < 0,1 мг/л | |
| — SDI | < 5 | |
Опции:
-
Мембраны Filmtec™ XLE-440 / ECO PRO-440 / BW30HRLE / BW30XFRLE-400 или Ecosoft ELP8040
-
Насос-дозатор антискаланта
-
Узел промывки мембран пермеатом
-
Узел подмеса исходной воды
Технологическая схема:
Характеристики
Бренд
Ecosoft
Отзывов ещё нет — ваш может стать первым.
Все отзывы 0
